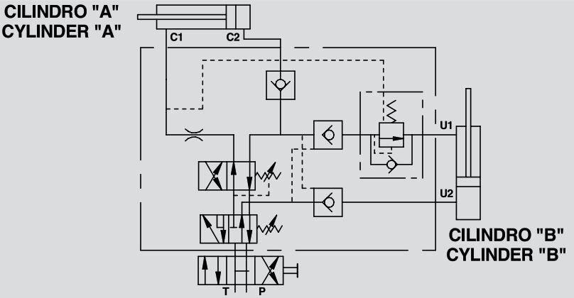
This valve has been designed for use with two cylinders in sequence for reversible plough to obtain the automatic alignment of load and its overturning.
Hydraulic Inline Valves, Plough-overturning-valves
VRAP SE SV Series Plough Overturning Valves with alignment for in Farrow Ploughs
Max. exchange pressure: 230 bar
Max. pressure: 400 bar
Fiyat Teklifi
Based on 0 reviews
Be the first to review “VRAP SE SV Series Plough Overturning Valves with alignment for in Farrow Ploughs”
You must be logged in to post a review.




There are no reviews yet.