Yük tutma valfleri hidrolik sistemlerde büyük önem taşır ve temelde aşağıdaki fonksiyonları yerine getirmek için kullanılır:
Yük tutma: Yön kontrol valfi orta konumda iken sistemdeki yükün kendini salmasını önlemek. Kapalı merkez bir valf kullanıldığında sürgü ile gövde arasındaki kaçakları tolere etmek.
Yük kontrolü:Sistemdeki yükün kontrolsüz bir şekilde hareketini ve aktüatörlerde kavitasyonu engellemek
Emniyet:Hidrolik sistemlerde hortum patlaması durumunda yükün kontrolsüz bir şekilde hareketini önlemek Örneğin bomlu vinç uygulamalarında hortumun patlaması sonucu yükün kontrolsüz hareketi ciddi zararlar verebilir. Bu sebeple yük tutma valfleri büyük önem taşır.
Yük tutma valfleri hidrolik sistemlerde büyük önem taşır.
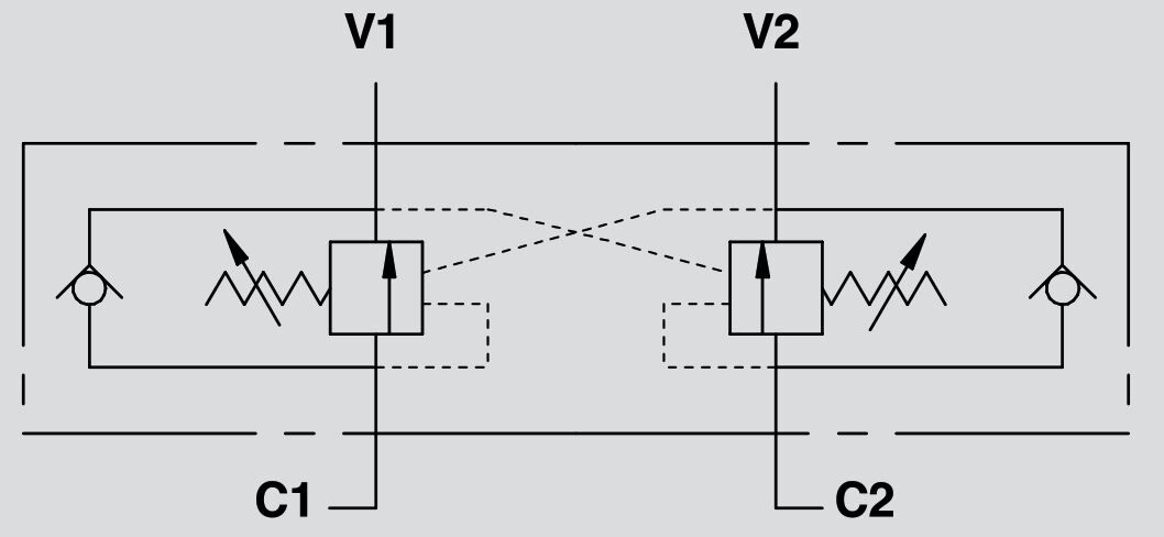
VBCD DE FL serisi valfler hareketlendiricilerde her iki yönde yük kontrolü sağlar. Basınç hassas bir şekilde ayarlanabilir. VBCD DE FL serisi valfler bağlantı yüzeyi sayesinde silindir üzerine doğrudan montajlanabilir.




Henüz hiç yorum yapılmamış.